Таймер цифровой астрономический Theben SELEKTA 171 top3 RC (1710330)
Описание функций
- Астрономический таймер с недельной программой
- Возможна настройка на смартфоне/планшете с помощью приложения
- Передача настроек из приложения на таймер с помощью Bluetooth OBELISK top3
- Совместим с серией top2
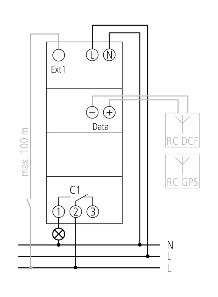
- Синхронизация времени при подключении DCF или GPS антенн; автоматическое определение местоположения при подключенной GPS антенне
- Источник питания требуется, если GPS антенна подключена только к одному таймеру
- 1 канал
- Дополнительный вход для подключения кнопок, датчиков движения и т.п.
- 84 ячейки памяти
- Программы «Цикл», «Импульс», «Астроцикл»
- 3 пользовательских диапазона сумерек плюс регулируемое смещение (закат, гражданские сумерки, навигационные сумерки)
- 3 специальные программы с годовым циклом
- Астрономическая программа (расчет времени восхода и заказа солнца для каждого дня года)
- Настройка задержки срабатывания по времени заката/восхода
- Возможность ввести координаты местоположения, или выбрать из списка страну/город
- Настройка включения/выключения по времени пользователя
- Имитация работы по астрономической программе (для анализа экономии, расчета суммарного времени работы за расчетный период, количества срабатываний за расчетный период, и т.д.)
- Инверсный режим работы (Включить на рассвете, Выключить на закате, например, для аквариумов, фонтанов и т.п.)
- Пружинные клеммы DuoFix
- Для 2 проводов каждая
- Однопроволочная или многопроволочная жила (с применением гильз и без них)
- Сечение провода: 0,5 - 2,5 мм²
- Кнопка для легкого извлечения провода
- Текстовое меню настройки прибора
- Предустановленные дата и время
- готов к эксплуатации без подключения к сети
- Интерфейс для карты памяти Obelisk top2 (настройка прибора на ПК)
- Запуск программ с карты памяти
- Копирование программ
- Хранение программ
- Ресурс автономного питания 10 лет (литиевая батарея)
- Замыкание реле происходит при нулевом значении тока, что увеличивает срок службы реле и позволяет подключить бОльшую нагрузку (кроме версий приборов на 24В)
- Расчет астрономического времени переключения
- Настраиваемое время Включения/Выключения
- Принудительное переключение
- Переключение Постоянно Включено / Постоянно выключено
- Встроенный счетчик часов наработки
- Сброс настроек
- Сервисная функция для контроля интервалов технического обслуживания
- Программа праздничных дней, каникул
- Подсветка дисплея (может быть отключена)
- Защита PIN кодом
- Автоматический переход на зимнее/летнее время, может быть деактивирована
- Правила переключения времени для Европы, США и других стран, возможность создать собственное правило переключения зимнего/летнего времени
Технические характеристики
| Номинальное напряжение | 110 – 230 V AC |
| Частота | 50 – 60 Гц |
| Ширина | 2 мо́дуль |
| Тип монтажа | DIN рейка |
| Тип контактов | Перекидной контакт |
| Релейный выход | Фазонезависимый |
| Ширина открытия | < 3 mm (µ) |
| Программа | Недельная программа, Астрономическая программа |
| Функции программ | ВКЛ-ВЫКЛ, импульс, цикл. |
| Количество каналов | 1 |
| Количество ячеек памяти | 84 |
| Резервное питание | 10 лет |
| Коммутационная способность при 250 В AC, cos φ = 1 | 16 A |
| Коммутационная способность при 250 В AC, cos φ = 0,6 | 10 A |
| Лампы накаливания/галогенные | 2600 Вт |
| Энергосберегающие лампы | 1100 Вт |
| Светодиодные лампы < 2 Вт | 50 Вт |
| Светодиодные лампы 2-8 Вт | 600 Вт |
| Светодиодные лампы > 8 Вт | 600 Вт |
| Нагрузка люминесцентных ламп (обычных) не компенсированных | 2600 ВА |
| Нагрузка люминесцентных ламп (обычных) последовательно компенсированных | 2600 ВА |
| Мощность выхода включения | макс. 800 A / 200 µs |
| Коммутационная способность мин. | ca. 10 мА |
| Минимальный время переключения | 1 мин |
| Точность хода | типичный ± 0,25 сек/день (кварц) или DCF77/GPS |
| вре́мя | Кварц/DCF77/GPS |
| Энергопотребление в режиме ожидания | ~0,75 Вт |
| Тип подключения | Пружинные клеммы DuoFix |
|
Внешняя антенна может быть подключена
|
Да |
| Дисплей |
ЖК-дисплей с текстовой строкой.
|
| Клавиатура | 4 кнопки |
| Материалы корпуса и изоляции | Термостойкий самозатухающий термопластик |
| Степень защиты | IP 20 |
| Класс электрической защиты | II в соответствии с EN 60 730-1 |
| Температура окружающей среды | -25°C ... +55°C |