Датчик присутствия B.E.G. PD4-M-DAA4G-FC (92591)

Бренд
B.E.G. Luxomat
Артикул
92591
Тип датчика
Присутствия
Цвет
белый
Степень защиты
IP20 (для помещений)
Монтаж
Врезной
EAN
4007529925919
Бренд
B.E.G. Luxomat
Артикул:
92591
Цена:
50093,0 ₽
Заказать
Свяжитесь с нами и мы поможем вам правильно подобрать оборудование и комплектующие
Характеристики
EAN
4007529925919
Тип датчика
Присутствия
Цвет
белый
Степень защиты
IP20 (для помещений)
Монтаж
Врезной
Вариант установки
Потолочный
Угол обнаружения
360°
Мощность нагрузки, Вт
2300 Вт
Кол-во каналов
3 канала
Дальность обнаружения
12 м
Сенсор
Инфракрасный
Вид питания
DALI, DALI-2
Бренд
B.E.G. Luxomat
Гарантия
36 мес.
Вес
0.3 кг
Описание

Сведения о продукте

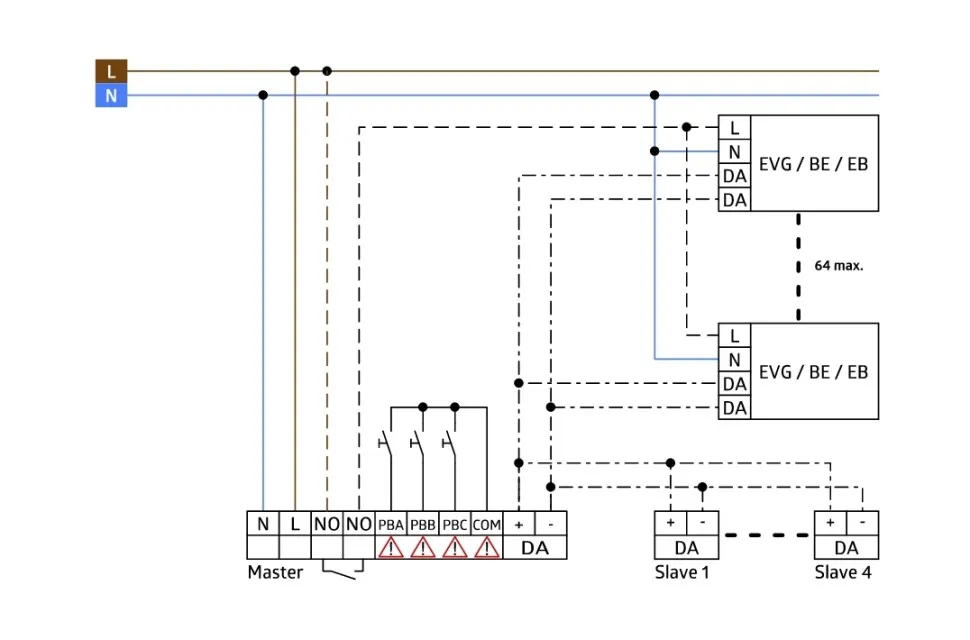
  • Высокочувствительный датчик присутствия с возможностью автоматической адресации до 64 DALI устройств и сегментированным контролем до 4-х зон.
  • Быстрый ввод в эксплуатацию и обслуживание с помощью приложения для смартфона/планшета (Android/iOS) - нет необходимости в компьютере.
  • Три зоны освещения: Зона А: для основного освещения с постоянным сегментированием по 3 группам DALI и управление со смещением. Зона В: для акцентного освещения через отдельную группу DALI. Зона С: Для акцентного освещения через встроенное реле.
  • Ручное переключение и диммирование с помощью стандартных кнопочных выключателей
  • Возможность подключения функции биологически эффективного освещения для светильников DALI
  • Мощное реле для различных режимов работы: функция "Cut-off" для балластов DALI, HVAC, освещение классной доски.
  • До 4-х дополнительных Slave-устройств может быть подключено к шине DALI для расширения диапазона обнаружения.
  • Полный набор функций можно активировать только с помощью ИК-адаптера и совместимого смартфона или планшета (Android/iOS)

Примеры использования

  • Переговорные, классы, офисы, школы, университеты

Технические данные

  • Сетевое напряжение 230V
  • Энергопотребление 0,4 Вт
  • Диапазон обнаружения 360°
  • Дальность действия перпендикулярно Ø 24 м.
  • Дальность действия фронтально Ø 8 м.
  • Дальность действия присутствие Ø 6,4 м.
  • Степень защиты IP20 / Класс II
  • Габариты Ø 117 x 100 мм
  • Температура окружающей среды от -25 °C до +50 °C
  • Корпус Устойчивый к УФ поликарбонат
  • Пульты IR-Adapter for Smartphones
Канал 1
  • Каналы управления 230V
  • Управление DALI: До 64 DALI балластов (макс. 3 группы DALI) + освещение доски или управление HVAC нагрузкой. Реле: 2300 Вт cos φ=1, 1150 ВА cos φ=0.5, 300 Вт LED
  • Настройки времени 1 мин - 120 мин (для групп освещения). Ориентирующее освещение: 10 - 30 % / ВЫКЛ / 5 мин - 60 мин / ∞; 5 сек - 120 мин (для HVAC)
  • Уровень освещенности 10 - 2500 Люкс
Галерея
Whatsapp
Telegram
Телефон
Email
Наверх

Связаться с нами
Главная Каталог Корзина
0
Избранное Сравнение